×
Azienda
Chi siamo
Chi siamo
Preventivo
Preventivo
Info dati libretto
Info dati libretto
Pagamenti e spedizioni
Modalità di pagamento
Modalità di pagamento
Info sulla spedizione
Info sulla spedizione
Spese di spedizione
Spese di spedizione
Garanzie
Diritto di recesso
Diritto di recesso
Garanzia sui prodotti
Garanzia sui prodotti
(0)
Accedi
Registrati
SERVIZIO CLIENTI
0832786979
0832786979
Mattina 8:30-12:30 pom. 15:30-19:00 sabato solo mattina
RICERCA AUTO
ricerca nei reparti:
RICERCA PER CODICE
HOME
Categorie ricambi auto
Riscaldamento / Aerazione
Motore del ventilatore/Componenti
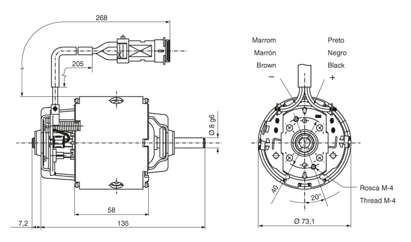
Quantum Versailles Royale Santana - bosch - 9130451123
Articolo
Quantum Versailles Royale Santana
Previous
Next
Non disponibile
€ 0,00
IVA inclusa
RICHIEDI PREVENTIVO
Dati tecnici
TENSIONE NOMINALE [V]
12
Prodotti alternativi
Download
Applicazioni vetture