×
Azienda
Chi siamo
Chi siamo
Preventivo
Preventivo
Info dati libretto
Info dati libretto
Pagamenti e spedizioni
Modalità di pagamento
Modalità di pagamento
Info sulla spedizione
Info sulla spedizione
Spese di spedizione
Spese di spedizione
Garanzie
Diritto di recesso
Diritto di recesso
Garanzia sui prodotti
Garanzia sui prodotti
(0)
Accedi
Registrati
SERVIZIO CLIENTI
0832786979
0832786979
Mattina 8:30-12:30 pom. 15:30-19:00 sabato solo mattina
RICERCA AUTO
ricerca nei reparti:
RICERCA PER CODICE
HOME
Categorie ricambi auto
Impianto elettrico
Alternatore / componenti
Componenti
VALEO PULEGGIA RL MER CLASSEC. E - valeo - 588039
Articolo
VALEO PULEGGIA RL MER CLASSEC. E
Previous
Next
Non disponibile
€ 31,92
IVA inclusa
RICHIEDI PREVENTIVO
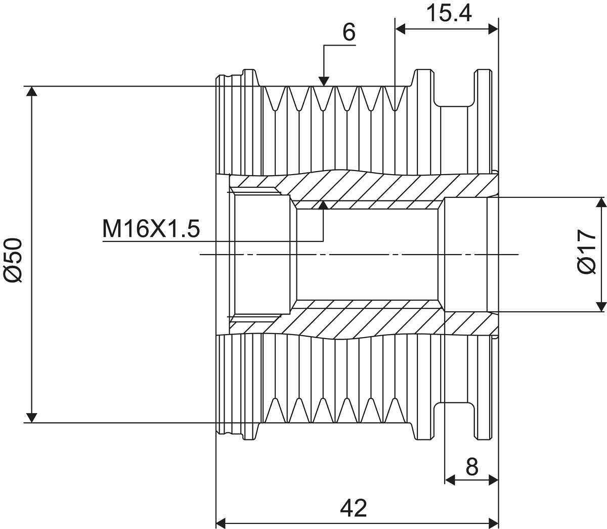
Dati tecnici
PESO [KG]
0,45
DIAMETRO ESTERNO [MM]
55
LARGHEZZA [MM]
42
SENSO ROTAZIONE
SENSO ROTAZIONE ORARIO
DIMENSIONI FILETTATURA
M16
ALESAGGIO-Ø [MM]
17
N° SCANALATURE
6
PROFONDITÀ [MM]
8
TESTA BULLONE-PROFILO DADO
TORX
DISTANZA PRIMA SCANALATURA [MM]
15,4
Riferimenti originali
A6111550215
EVOBUS
A0111540602
EVOBUS
A6111500160
MERCEDES-BENZ
A6111550215
MERCEDES-BENZ
Prodotti alternativi
Download
Applicazioni vetture